- Главная
- Продукты
- Клапаны и клапанные терминалы
- Клапанные коллекторы
- Принадлежности для клемм клапанов
- Клапаны
- VI10_V
- Электромагнитный клапан
Электромагнитный клапан
CPV10-M1H-2X3-OLS-M7-B-EX
550698Цена: 37 790 ₽
| Пневматическое соединение, порт 1 | Общая линия |
| Стандартный номинальный расход (стандартизирован по DIN 1343) | 400 л/мин |
| Тип приведения в действие | Электрический |
| Функция клапана | 2x3/2-ходовой, открытый, моностабильный |
1
| Температура окружающей среды | -5 °C ... 50 °C |
| Значение C | 1,6 л/сбар |
| Класс коррозионной стойкости CRC | 2 - Умеренное коррозионное напряжение |
| Степень защиты | Степень защиты IP50 |
| Дизайн | Поршневой запорный клапан |
| Рабочий цикл | 100% в сочетании со снижением тока удержания |
| Эффективная внутренняя емкость Ci | Ничтожно низкий |
| Эффективная внутренняя индуктивность Li | Ничтожно низкий |
| Функция выпуска отработанного воздуха | Без возможности регулирования расхода |
| Направление потока | Необратимый |
| Соответствие требованиям ЛАБОРАТОРИЙ (PWI) | VDMA 24364-B1/B2-L |
| Ручное управление | Фиксирующий ... Не фиксирующий |
| Материал корпуса | Литой под давлением алюминий ... Латунь |
| Уплотнения из материала | HNBR ... NBR |
| Максимальный входной ток Ii | 0,2 А |
| Максимальная входная мощность Pi | 0.76 Вт |
| Максимальное входное напряжение Ui | 32 В |
| Температура среды | -5 °C ... 50 °C |
| Монтажное положение | необязательный |
| Номинальный размер | 4 мм |
| Примечание по материалам | Соответствует требованиям RoHS |
| Примечание по эксплуатационной и пилотной среде | Возможна работа со смазкой (в этом случае всегда будет требоваться работа со смазкой). |
| Рабочая среда | Сжатый воздух до ISO 8573-1:2010 [7:4:4] |
| Рабочее давление | МПа ... 1 МПа |
| Рабочее напряжение | 24 В постоянного тока |
| Пилотный воздушный порт 12/14 | Общая линия |
| Контрольная подача воздуха | Внешний... Внутренний |
| Контрольный выпускной патрубок 82/84 | Общая линия |
| Контрольное давление | 0,3 МПа ... 0,8 МПа |
| Пневматическое соединение 3/5 комбинированное | Общая линия |
| Пневматическое соединение, порт 1 | Общая линия |
| Пневматическое соединение, порт 11 | Общая линия |
| Пневматическое соединение, порт 2 | M7 |
| Пневматическое соединение, порт 4 | M7 |
| Вес продукта | 70 г |
| Требуемый потребляемый ток | 0,016 А |
| Принцип герметизации | Мягкий |
| Стандартный номинальный расход (стандартизирован по DIN 1343) | 400 л/мин |
| Температура хранения | -20 °C ... 40 °C |
| Время выключения | 37 мс |
| Время включения | 17 мс |
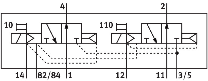
| Символ | 00991811 |
| Тип приведения в действие | Электрический |
| Тип крепления | Со сквозным отверстием |
| Тип пилотирования | Пилот приведен в действие |
| Тип сброса | Пневматическая пружина |
| Функция клапана | 2x3/2-ходовой, открытый, моностабильный |
| Размер клапана | 10 мм |
| значение b | 0.4 |
| круг | Перекрытие |
| пневматический рабочий порт | M7 |
-
Скачать документациюИнформация о продукте
Условия использования электронной документации
-
Скачать документациюКаталог
Каталог для автоматизации технологических процессов
-
Скачать документациюКаталог
Условия эксплуатации и стандарты в пневматике
-
Скачать документациюБрошюра
Автоматизация процессов - Обзор продукта (PAPSO)
-
Скачать документациюБрошюра
Автоматизация процессов - Обзор продуктов 2024
-
Скачать документациюБрошюра
Промышленность по переработке листовок с продукцией
-
Скачать документациюСпециальная публикация
Технический документ: Автоматизация технологических клапанов включения/выключения